|
设为主页
|
保存桌面
供应产品
新闻中心
首页
公司介绍
供应产品
新闻中心
联系方式
产品分类
全部分类
> 可控硅整流元件
|--
门极带阻灵敏型单向可控硅
|--
门极灵敏型单向可控硅
|--
标准型单向可控硅
|--
标准型双向可控硅
|--
四象限双向可控硅
|--
洗衣机专用双向可控硅
|--
高结温双向可控硅
|--
瞬态抑制型双向可控硅
|--
电力电子可控硅模块芯片及组件
> 瞬态抑制型二极管
|--
DIP
|--
SMD
|--
SM8S
|--
AK TVS
|--
ESD
> 直插型压敏电阻
|--
20D
|--
14D
|--
10D
|--
07D
|--
05D
> LED照明高压线性驱动芯片
> AC-DC电源管理芯片
> MOS.场效应晶体管(MOSFET)
|--
高压MOSFET
|--
低压MOSFET
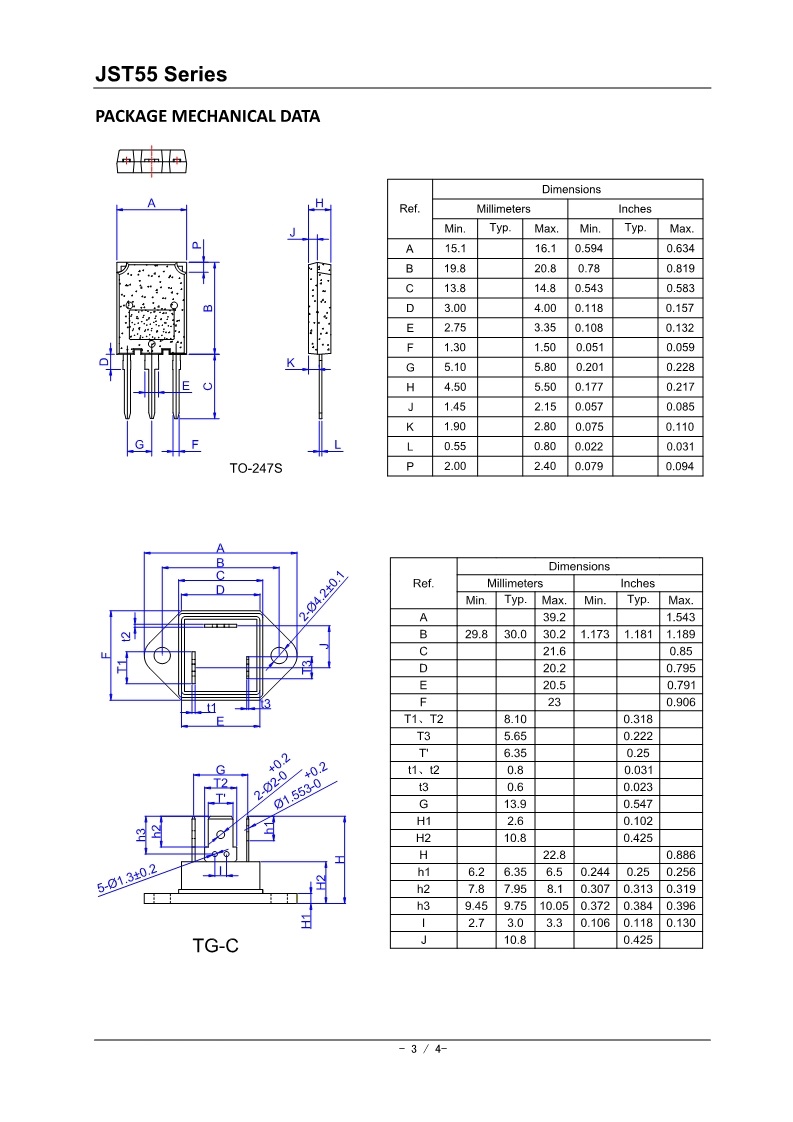
JST55
产品:
浏览次数:195
JST55
单价:
面议
最小起订量:
供货总量:
发货期限:
自买家付款之日起
3
天内发货
有效期至:
长期有效
最后更新:
2018-08-01 11:25
详细信息
询价单